芯片描述
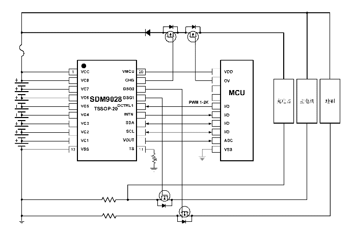
SDM9028是一颗集成 OV/UV/OT/UT 保护功能,同时集成均衡功能的 5~8 串锂离子AFE 芯片。提供 1~8 串电池电压的电平转换电路,可将单节电池电压以相同的增益,转换为以地为基准的模拟电压信号,并以 0.5 倍分压输出。本产品的技术规格更加适用于 5~8 串的吸尘器,洗地机应用,所集成的二级硬件保护,有助于满足安规认证要求。也可应用于电动工具、园林工具、两轮车、高功率移动电源等。
芯片特点
模拟电压输出 VOUT
NTC电压模拟输出
内置高精度保护电路
集成均衡电路,需要MCU发送指令控制每一节电芯均衡
集成I2C通讯100KHZ
吸尘器专用的2路DFET放电驱动
集成3.3V或5V LDO,VCC电压大于8.5V驱动能力可达30mA
节间耐压-30V to 50V
低运行功耗
超高ESD防护能力,HBM ±4KV
智能健康衡器
医疗电子
工业控制及仪表
智能家电